
വിശദമായ ഉൽപ്പന്ന വിവരണം
| പ്രയോജനം: | ഉയർന്ന വേഗത | ലേബലിംഗ് വേഗത: | 60-200pcs / മിനിറ്റ് |
|---|---|---|---|
| പ്രവർത്തനം: | അഹെസീവ് സ്റ്റിക്കർ ലേബലിംഗ് | മെറ്റീരിയൽ: | സ്റ്റെയിൻലെസ്സ് സ്റ്റീൽ |
| കുപ്പി തരം: | യാന്ത്രിക റ ound ണ്ട് ബോട്ടിൽ ലേബലർ ഭരണി | അപ്ലിക്കേഷൻ: | എല്ലാത്തരം റ ound ണ്ട് കണ്ടെയ്നറുകൾക്കും |
| പിഎൽസി ബ്രാൻഡ്: | മിത്സുബിഷി (ജപ്പാൻ | സെർവോ ലേബലിംഗ് മോട്ടോർ: | ഡെൽറ്റ ai തായ്വാൻ |
റെഡ് വൈൻ ലേബലിംഗ് മെഷീൻ ഗ്ലാസ് വൈൻ ബോട്ടിൽ ലേബലിംഗ് മെഷീൻ, പിഎൽസി നിയന്ത്രണ സംവിധാനം മിറ്റ്സുബിഷി ബ്രാൻഡ് ലേബലിംഗ് മെഷീൻ
സവിശേഷതകൾ:
1. പ്രവർത്തനം: പിഎൽസി നിയന്ത്രണ സംവിധാനം ലേബലിംഗ് മെഷീനെ പ്രവർത്തിക്കുന്നത് എളുപ്പമാക്കുന്നു
2. മെറ്റീരിയൽ: ലേബലിംഗ് മെഷീന്റെ പ്രധാന ബോഡി SUS304 സ്റ്റെയിൻലെസ് സ്റ്റീൽ ഉപയോഗിച്ചാണ് നിർമ്മിച്ചിരിക്കുന്നത്
3. കോൺഫിഗറേഷൻ: ഞങ്ങളുടെ ലേബലിംഗ് മെഷീനുകൾ അറിയപ്പെടുന്ന ജാപ്പനീസ്, ജർമ്മൻ, അമേരിക്കൻ, കൊറിയൻ അല്ലെങ്കിൽ തായ്വാൻ ബ്രാൻഡ് ഭാഗങ്ങൾ സ്വീകരിക്കുന്നു
4. സ lex കര്യം: പ്രിന്ററും കോഡ് മെഷീനും ചേർക്കാൻ ക്ലയന്റിന് തിരഞ്ഞെടുക്കാം; കൺവെയറുമായി ബന്ധിപ്പിക്കുന്നതിന് തിരഞ്ഞെടുക്കാം അല്ലെങ്കിൽ.
സാങ്കേതിക പാരാമീറ്ററുകൾ:
| പേര് | ഹൈ സ്പീഡ് സ്ലീവ് ചുരുക്കാനുള്ള റ round ണ്ട് ബോട്ടിൽ ലേബലിംഗ് മെഷീനായി ഓട്ടോമാറ്റിക് റ round ണ്ട് വൈൻ ബോട്ടിൽ |
| ലേബലിംഗ് വേഗത | 60-350 പിസി / മിനിറ്റ് |
| വസ്തുവിന്റെ ഉയരം | 30-350 മിമി |
| വസ്തുവിന്റെ കനം | 20-120 മിമി |
| ലേബലിന്റെ ഉയരം | 5-180 മിമി |
| ലേബലിന്റെ ദൈർഘ്യം | 25-300 മിമി |
| വ്യാസം ഉള്ളിൽ ലേബൽ റോളർ | 76 മിമി |
| വ്യാസത്തിന് പുറത്ത് ലേബൽ റോളർ | 420 മിമി |
| ലേബലിംഗിന്റെ കൃത്യത | ± 1 മിമി |
| വൈദ്യുതി വിതരണം | 220V 50 / 60HZ 3.5KW |
| പ്രിന്ററിന്റെ വാതക ഉപഭോഗം | 5Kg / m2 (കോഡിംഗ് മെഷീൻ ചേർക്കുകയാണെങ്കിൽ) |
| ലേബലിംഗ് മെഷീന്റെ വലുപ്പം | 2800 (L) × 1650 (W) × 1500 (H) mm |
| ലേബലിംഗ് മെഷീന്റെ ഭാരം | 180 കിലോ |
കോൺഫിഗറേഷൻ
| ഇല്ല. | ഭാഗം | ബ്രാൻഡ് | അളവ് |
| 1 | പിഎൽസി | മിത്സുബിഷി (ജപ്പാൻ) | 1 |
| 2 | പ്രധാന കൺവെർട്ടർ | ഡാൻഫോസ് (ഡെൻമാർക്ക്) | 1 |
| 4 | എച്ച്.എം.ഐ | WEINVIEW (തായ്വാൻ) | 1 |
| 5 | സെർവോ ലേബലിംഗ് മോട്ടോർ | ഡെൽറ്റ (തായ്വാൻ) | 1 |
| 6 | സെർവോ ലേബലിംഗ് മോട്ടോർ ഡ്രൈവർ | ഡെൽറ്റ (തായ്വാൻ) | 1 |
| 7 | കൺവെയർ മോട്ടോർ | HY (തായ്വാൻ) | 1 |
| 8 | കൺവെയർ മോട്ടോർ ഗിയർബോക്സ് | HY (തായ്വാൻ) | 1 |
| 9 | കുപ്പി മോട്ടോർ വിഭജിക്കുന്നു | ജിപിജി (തായ്വാൻ) | 1 |
| 10 | കുപ്പി മോട്ടോർ ഗിയർബോക്സ് വിഭജിക്കുന്നു | ജിപിജി (തായ്വാൻ) | 1 |
| 11 | മോട്ടോർ സ്പീഡ് ഗവർണറെ വേർതിരിക്കുന്ന കുപ്പി | ജിപിജി (തായ്വാൻ) | 1 |
| 12 | സ്പോക്ക് മോട്ടോർ | ജിപിജി (തായ്വാൻ) | 1 |
| 13 | മോട്ടോർ ഗിയർബോക്സ് സംസാരിക്കുക | ജിപിജി (തായ്വാൻ) | 1 |
| 14 | ഒബ്ജക്റ്റ് മാജിക് ഐ കണ്ടെത്തുന്നു | ഒമ്രോൺ (ജപ്പാൻ) | 1 |
| 15 | ഒപ്റ്റിക്കൽ ഫൈബർ | ഒമ്രോൺ (ജപ്പാൻ) | 1 |
മെഷീൻ വിശദാംശങ്ങൾ:

32 പ്രധാന ലേബലിംഗ് മെഷീൻ ഭാഗങ്ങൾ

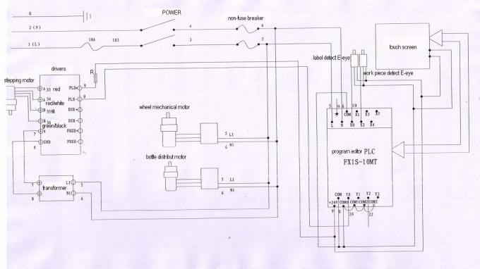
സർക്യൂട്ട് ഡയഗ്രം

പതിവുചോദ്യങ്ങൾ:
1. ലേബലിന് കുമിളകൾ ലഭിക്കുന്നു
കാരണങ്ങൾ:
Board തൊലി കളയുന്നത് നല്ലതല്ല / പരന്നതല്ല;
പ്ലോവ് ബോർഡ് നല്ലതല്ല / പരന്നതല്ല;
③ ലേബലിംഗ് output ട്ട്പുട്ട് വളരെ വേഗതയുള്ളതാണ് അല്ലെങ്കിൽ അസംബ്ലി ലൈനിന്റെ വേഗത വളരെ കുറവാണ്;
Label ലേബൽ വളരെ അഴിച്ചുമാറ്റി
പരിഹാരങ്ങൾ:
Board ഒരു ഫ്ലാറ്റ് പീൽ ഓഫ് ബോർഡ് മാറ്റുക;
A ഒരു ഫ്ലാറ്റ് പ്ലോവ് ബോർഡ് മാറ്റുക;
The ലേബലിംഗ് output ട്ട്പുട്ട് വേഗത കുറയ്ക്കുക അല്ലെങ്കിൽ അസംബ്ലി ലൈനിന്റെ വേഗത വർദ്ധിപ്പിക്കുക;
The ലേബൽ ബെൽറ്റിനെ ശരിയായി സ്വാധീനിക്കുക.
ടാഗ്: വ്യാവസായിക ലേബലിംഗ് മെഷീൻ, ഗ്ലാസ് ബോട്ടിൽ ലേബലിംഗ് മെഷീൻ









